源头品牌直供 • 原装真品直售
-
-
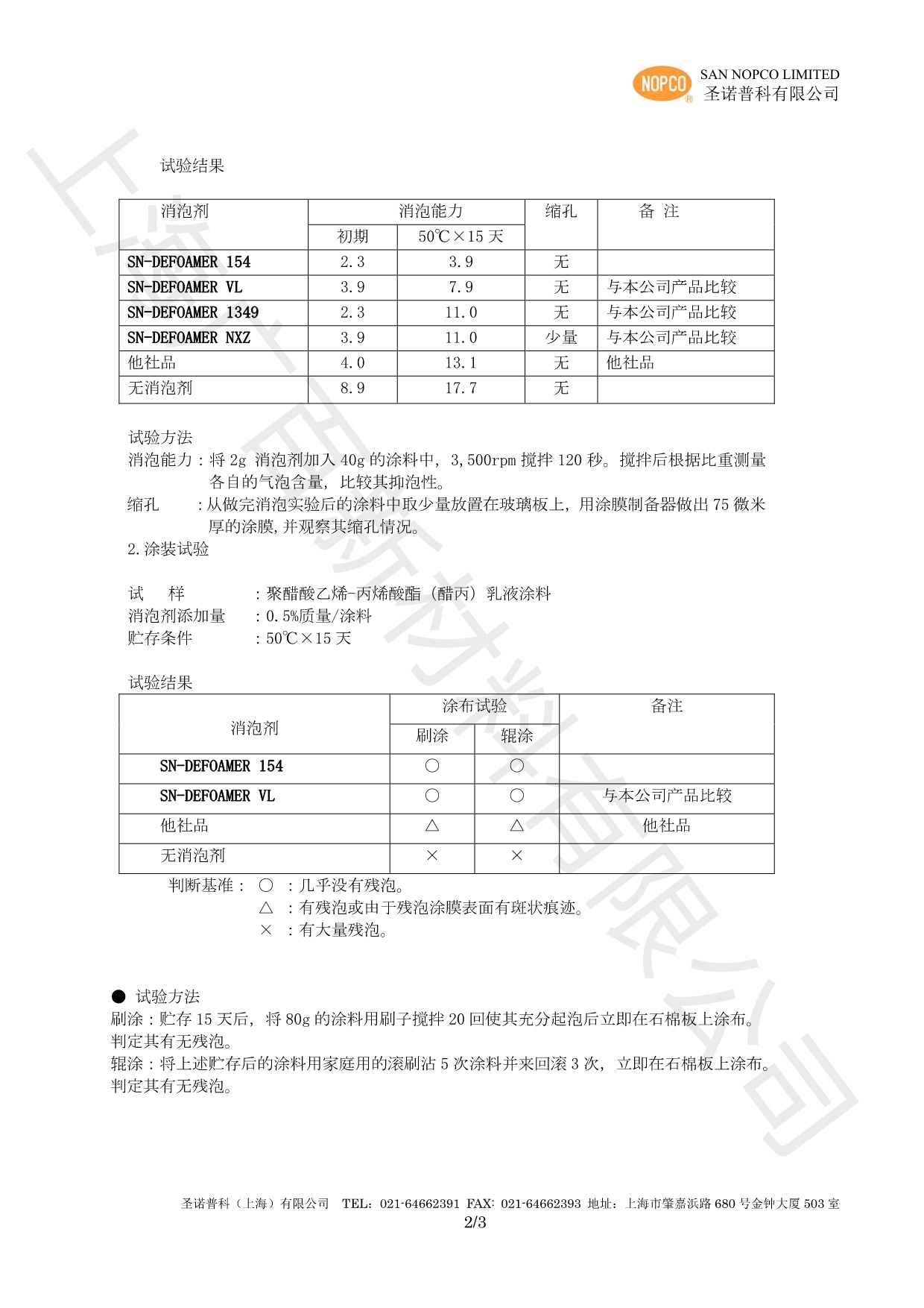
诺普科SN-DEFOAMER 154消泡剂
-
- 【包 装】
- 16公斤/方铁桶/180公斤/铁桶
-
- 【产 地】
-
- 【外 观】
- 淡黄色
-
- 【成 分】
- 二氧化硅
-
- 【固 含】
立即获取样品/拿货133-1177-7034 -



